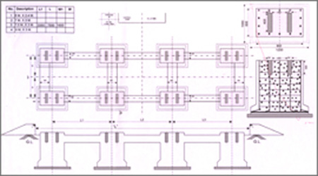
Pit Less
PIT LESS
Low civil cost and lesser excavation is required.
Very rugged and tough in structure.
Come in module from for easy transportation and installation.
Surface mounted, hence very economical.
The load cell & consequently the top of deck plate, are above the ground level, facilitating easy maintenance.
No high water trouble and drainage problem.
SPECIAL WEIGH BRIDGE :
SUITABLE PLATE FORM FOR VARIOUS VEHICLE
|
No.
|
Capacity
|
Division
|
Platform In Feet
|
Type of Vehicle
|
|
1.
|
2 MT
|
500g.
|
5x5
|
Hand Cart, Loury
|
|
2.
|
3 MT
|
1kg.
|
8x5
|
Loury, Loading Auto, Bajaj Loading.
|
|
3.
|
5MT
|
1kg.
|
10x6, 8x5
|
Loury, Loading Auto
|
|
4.
|
10MT
|
3kg.
|
12x8
|
Loading Auto, Tata 407, Mini Eicher
|
|
5.
|
20MT
|
2/5kg
|
20x8, 20x10
|
Tata 608, 709, Eicher, Truck
|
|
6.
|
25MT
|
5kg.
|
20x10, 22x10
|
Truck, Dumer, Tractor
|
|
7.
|
30MT
|
5kg.
|
22x10, 25x10
|
Turbo (6 Wheel), Truck, Eicher, Tractor
|
|
8.
|
40MT / 50MT
|
5kg.
|
25x10
|
280x340 Truck, Turbo (10 Wheel)
|
|
9.
|
50MT / 60MT
|
5/10kg.
|
25x10, 30x10
|
Turbo, Truck, Tanker
|
|
10.
|
50MT / 60MT
|
5/10kg.
|
35x10, 40x10
|
Turbo, LPG Gas Tanker, Mini Trailor
|
|
11.
|
60 MT / 80MT
|
10kg.
|
45x10, 50x10, 60x10
|
Tanker, Trailor (40 FT Container), Body Trailor
|
|
12.
|
80MT / 100MT
|
10/20kg.
|
50x10, 60x10
|
Volvo (18 Wheel), Tailor (40 FT Container)
|
|
13.
|
100MT
|
10kg.
|
60x10, 66x12
|
Volvo & special long Trailor.
|
© 2011-2015 Shri Shyam Techno. All Rights Reserved | Design by ItechSoft Solutions